Будьте в курсе!
Новости, обзоры и акции
Время работы:
ПН-ПТ 10:00 - 18:00
Новости, обзоры и акции
|
|
|
|
|
|
(2)
|
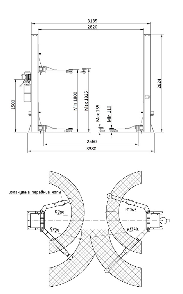
Особенности конструкции подъемника:
Условия доставки:
Санкт-Петербург:В блоке справа Вы можете ввести необходимые данные и узнать стоимость и сроки доставки.
Новости, обзоры и акции
Напишите нам!
